DWT-I型低噪聲軸流式屋頂風機
文章來源:屋頂風機 作者:屋頂風機小編 發布時間:2018-05-03 12:08:26 瀏覽次數:18083
[導讀]:DWT系列低噪聲屋頂通風機系采用CAD模擬優化設計,經大破試驗研究開發的“星火”科研產品具有“效率高、噪聲低、運轉平穩、外形美觀、防腐、防爆等優點,廣泛應用于發電、化工、橡膠、制藥、食品加工、冶金等備行業及高級民用建筑的送風和排風。▶ 語音朗讀
DWT系列低噪聲屋頂風機
特點1、規格型式多,應用范圍廣:可根據使用場合的風量、風壓和噪聲的不同要求,選用以下三種型式屋頂風機:
a、軸流式屋頂風機:代號為DWT-I型,適用于低壓、大流量的使用場合。同時根據用戶需要還可以設計成雙向旋轉可逆式,具有正反工況等效的特點;
b、離心式屋頂風機:代號為DWT-II,型、DWT-III型二種型式,適用于風量較小而壓力要求較高的場合。
c、無電機屋頂風機:代號為DWT-V型,適用于商用建筑和廠礦企業(輕鋼結構屋面)的排風換氣。
2、效率高,噪聲低:本風機采用先進的CAD軟件,經多目標優化設計、開發。DWT—I系列機號中1200、1400、1500、1600、2000及2400mm風機,采用相同直徑不同轉速,不同角度和不同葉型的方法,以滿足不同使用工況的需要,達到風機與系統匹配,以利實現節能和降噪;
3、質輕、高強、耐腐蝕:風機葉輪可根據工作介質不同的腐蝕性而采用不同的材質,分為有ABS (工程塑料)、FRP(玻璃鋼)和鋁合金板材制作,對于壓力要求高,風機轉速較大的離心式風機,葉輪表面經特殊的鍍鋅加噴塑耐腐蝕處理,不僅降低了整機重量,且有良好的耐腐蝕性;
4、運轉平穩,壽命長:本風機的轉動慣量小,動平衡精度高,運轉平穩,且各項性能指標在工廠內控標準中的要求均高于風機行業標準,能確保風機長期穩定地運行;
5、適用范圍廣:本風機可以根據使用要求,制造成防爆型、防腐型,適用于抗老化抽送、排易燃、易爆及有腐蝕性氣體的場合;
6、外型美觀:本風機的風帽部件采用玻璃鋼制作,夕I’表采用進口膠衣樹脂膜,曲面過度柔和、美觀大方,實用性強;也可根據用戶要求制成鋼風帽經鍍鋅噴塑(PVC)處理;
7、使用條件:介質溫度不超過60℃,氣體中不許含有過量粘性物,含塵量不大于100mg/m,對于介質溫度高的場合,我公司有高溫風機技術可供用戶選用;
8、本產品經國家壓縮機制冷設備質量監督檢驗中心檢測合格,檢測項目含風量、風壓、阻燃、導電性能、防爆、抗風性能等,由國家質量監督檢驗檢疫總局監制。
DWT-Ⅰ型低噪聲軸流式屋頂排風機
廣泛通用于商用建筑和廠礦企業(更適合輕鋼結構屋面)的排風換氣一、詳細信息:
特性及應用 DWT系列低噪聲屋頂通風機系采用CAD模擬優化設計,經大破試驗研究開發的“星火”科研產品具有“效率高、噪聲低、運轉平穩、外形美觀、防腐、防爆等優點,廣泛應用于發電、化工、橡膠、制藥、食品加工、冶金等備行業及高級民用建筑的送風和排風。根據不同的使用環境和輸送介質,風帽、風筒可采用鋼板或玻璃鋼,葉輪啊采用鋁合金、鋼板、玻璃鋼、工程塑料等材料制作。根據結構分三種:DWT—I型可用于中低壓、大流量場合的排風和送風;DWT一II型為離心式屋頂風機可用于壓力要求較高場合的排風;DWT—III型為離心軸向式屋頂風機,可用于排放特殊氣體的專用場合,如用于廚房排油煙可加設集油槽,借助其外殼及離心葉輪驅動、軸向氣流進出的特殊設計去汕明顯;DWT-IV型為無電機屋頂渦輪排風機,不用電、無嗓音、體積小、重量輕、排風效率高,安裟方便。機號:3#-24# 風量:1450-220800m3/h 全壓:62-330Pa
特點:風量大、噪聲低、效率高、重量輕、運轉平穩、外形美觀、可制作成防腐、防爆型
應用:發電廠、化工、 橡膠、制藥、食品加工、冶金、倉庫等廠礦企業及高級民用建筑的送風和排風。
二、性能參數表
DWT-I型(軸流式)
|
|
||||||||||||||||||||||||||||||||||||||||||||||||||||||||||||||||||||||||||||||||||||||||||||||||||||||||||||||||||||||||||||||||||||||||||||||||||||||||||||||||||||||||||||||
|
|

DWT-Ⅰ型(軸流式)
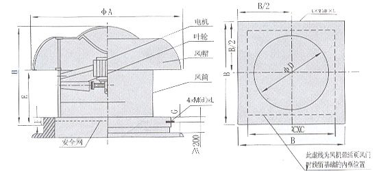
| 機號 | ΦA | ΦD | B | F | G | C | E | H | M(d)×L | 重量(Kg) |
| 3 | 650 | 310 | 510 | 60 | 30 | 370 | 300 | 545 | 10.5×100 | 15 |
| 4 | 650 | 410 | 630 | 60 | 30 | 470 | 340 | 585 | 10.5×100 | 28 |
| 5 | 890 | 510 | 750 | 60(80) | 30 | 570 | 390 | 715 | 10.5×100 | 37 |
| 6 | 1000 | 610 | 870 | 60(80) | 30 | 670 | 440 | 765 | 12.5×120 | 57 |
| 7 | 1220 | 710 | 1000 | 80 | 40 | 800 | 480 | 950 | 12.5×120 | 85 |
| 8 | 1340 | 810 | 1100 | 80 | 40 | 900 | 480 | 950 | 12.5×120 | 124 |
| 9 | 1650 | 910 | 1250 | 80(100) | 40 | 1000 | 480 | 950 | 12.5×120 | 146 |
| 10 | 1650 | 1010 | 1400 | 80(100) | 40 | 11000 | 480 | 1105 | 12.5×150 | 216 |
| 11.2 | 1800 | 1130 | 1540 | 80(100) | 40 | 1240 | 480 | 1105 | 11.6×150 | 258 |
| 12 | 1800 | 1210 | 1660 | 80(100) | 60 | 1360 | 500 | 1315 | 16.5×150 | 279 |
| 14 | 2500 | 1410 | 1900 | 100 | 60 | 1560 | 600 | 1450 | 16.5×150 | 357 |
| 15 | 2500 | 1510 | 2040 | 100 | 60 | 1700 | 600 | 1450 | 18.5×200 | 386 |
| 16 | 3000 | 1610 | 2160 | 100 | 60 | 1800 | 600 | 1580 | 18.5×200 | 397 |
| 18 | 3000 | 1810 | 2400 | 100 | 60 | 2000 | 600 | 1580 | 18.5×200 | 562 |
| 20 | 3400 | 2010 | 2600 | 100 | 60 | 2200 | 6000 | 1580 | 20×200 | 721 |
| 22 | 3800 | 2210 | 2800 | 100 | 60 | 2400 | 600 | 1660 | 20×200 | 756 |
| 24 | 3800 | 2410 | 3000 | 100 | 60 | 2600 | 600 | 1660 | 20×200 |
856 |
非特殊說明,本文為本站原創(翻譯)文章,轉載請注明:本文轉自:江西鑫佳通科技股份有限公司。
本文連接:http://www.333huo.com/product/3126214172.html
想了解更多請點擊===>>屋頂送風機 屋頂排風機 屋頂風機
下一個產品:DWT-IV型無電機渦輪式屋頂排風機
DWT-I型低噪聲軸流式屋頂風機產品知識推薦
- 屋頂風機的安裝、維護、調試硬核解讀 2020-05-30
- 屋頂通風機的性能和特點是什么? 2017-11-29
- 屋頂風機如何使用才能達到高效節能 2017-04-17
- 屋頂風機的常見問題分析 2017-11-29
- 玻璃鋼屋頂風機調試、維護要點有哪些 2018-01-16
- 離心風機類技術制造工藝講解 2017-08-09
- 屋頂風機如何達到高效節能? 2017-10-28
- 廠房專用屋頂軸流排風機 2017-08-26
- 屋頂風機用途、屋頂風機安裝方法以及屋頂風機選型等知識全面介紹 2018-05-03
- 屋頂風機常見的的機型有哪些? 2017-04-19
- 玻璃鋼屋頂風機調試、維護要點有哪些 2017-04-10
- 江西鑫佳通無動力屋頂風機的使用操作技術分析 2017-09-29
- 屋頂風機有哪些型號,如何安裝? 2020-04-10
- 屋頂風機應用具有哪些優勢?屋頂風機介紹與分析 2017-10-16
- 什么是屋頂風機? 2020-03-11
- 屋頂風機運行過程中溫度異常怎么解決 2017-10-20
- 屋頂通風機的施工安裝要點 2017-04-06
- 山西低噪音屋頂風機哪家好 2017-06-07
- 屋頂風機作用 2017-06-16
- 景德鎮玻璃鋼軸流式屋頂風機 2017-05-22







相關評論: