T35-11系列低噪聲軸流風機
T35-11系列低噪聲軸流風機廣泛應用于廠房、倉庫、辦公樓、住宅等場所的通風換氣,T35-11系列軸流風機主要優點是結構更合理,風機葉輪直徑由小到大有三十個規格,參數范圍廣,每一規格風機的葉片都為4片,葉片角度有15度、20度、25度、30度、35度五種,t35軸流風機適用于輸送非易燃易爆無腐蝕無顯著粉塵的氣體,環境溫度不得超過60℃,廣泛應用于一般工廠、倉庫、辦公室、住宅內通風換氣等場合。
FT35-11型防腐軸流風機是采用防腐材料外涂環氧漆加工而成的T35-11型通風機,或用玻璃鋼材質加工而成的軸流風機,可用于輸送有腐蝕性的氣體。
T35-11系列低噪聲軸流風機特點
風量大、噪音低、結構簡單、堅固耐用
可改做成防爆、防腐型,應用于廠房、倉庫、辦公樓、住宅等場合的通風換氣
風量:可達826-68000CMH
全壓:可達39-480 Pa
T35-11系列低噪聲軸流風機結構
T35-11系列低噪聲軸流風機扭曲型葉片、高輪轂比、低風阻電機支架以及最佳葉棚參數,具有風量大、風壓高、耗電省等優點,是一種新型、高效、節能型軸流風機,對于通風管道較長的場合可將數臺風機串聯安裝,以提高風壓。
注:FT35防腐型軸流通風機,用于輸送有腐蝕性的氣體;
BT35為防爆型軸流通風機,用于輸送易燃易爆的氣體;
FBT35為防腐防爆型軸流通風機,用于輸送有腐蝕性且易燃易爆的氣體。
一般T35系列風機為不帶底腳供貨,如需要請在訂貨時說明。
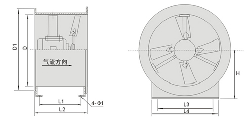
T35-11系列低噪聲軸流風機外形尺寸表
| 機 號 | 尺 寸 | |||||||
| D | D1 | L1 | L2 | L3 | L4 | H | Φ1 | |
| 2.8 | 290 | 350 | 220 | 260 | 150 | 250 | 200 | Φ8.5 |
| 3.15 | 325 | 390 | 220 | 260 | 150 | 250 | 220 | Φ8.5 |
| 3.55 | 365 | 430 | 260 | 300 | 200 | 300 | 240 | Φ8.5 |
| 4 | 410 | 480 | 260 | 300 | 200 | 300 | 260 | Φ10.5 |
| 4.5 | 460 | 530 | 280 | 320 | 250 | 350 | 290 | Φ10.5 |
| 5 | 510 | 580 | 310 | 350 | 300 | 400 | 320 | Φ10.5 |
| 5.6 | 570 | 650 | 380 | 420 | 400 | 500 | 360 | Φ10.5 |
| 6.3 | 640 | 720 | 400 | 460 | 400 | 500 | 400 | Φ12.5 |
| 7.1 | 720 | 800 | 420 | 480 | 500 | 600 | 440 | Φ12.5 |
| 8 | 810 | 890 | 460 | 520 | 500 | 600 | 500 | Φ12.5 |
| 9 | 910 | 990 | 590 | 650 | 600 | 700 | 540 | Φ12.5 |
| 10 | 1010 | 1100 | 690 | 750 | 600 | 700 | 595 | Φ12.5 |
| 11.2 | 1130 | 1230 | 770 | 830 | 700 | 800 | 640 | Φ12.5 |
T35-11系列低噪聲軸流風機性能參數表
|
|
T35-11系列低噪聲軸流風機安裝
1、安裝前應詳細檢查風機是否有損壞變形,如有損壞變形,待修理妥善后,方可進行安裝。
2、安裝時要注意檢查各不如部分有無松動,葉片與風筒間隙應均勻,不得相碰。
3、連接風口管道的重量不應由風機的風筒承受,安裝時應另加支撐。
4、在風機風口端必須裝集風器,并安裝防護網。
5、風機底座必須與地基平面自然接合,不得敲打底座強制聯接,以防底座變形,安裝時應校正機座,加墊鐵片、保持水平位置,然后擰緊地腳螺栓。
6、安裝完畢后,必須先進行實驗,待運行正常后,才允許正式使用。
總結
T35-11系列低噪聲軸流風機適用于輸送易燃易爆無腐蝕性氣體,環境溫度不得超過60℃。 廣泛應用于一般工廠、倉庫、辦公室、住宅內通風換氣或強暖氣散熱,也可在較長的排氣管道內間隔串聯安裝以提高管道中的壓力 ,卸下電機可做自由風扇。防腐軸流式風機(FT35-11型)采用防腐材料外涂環氧漆加工而成,電機采用特種防腐電機用于輸送有腐蝕性氣體。防爆軸流式風機 (BT35-11 ) 型,用于輸送易燃易爆的氣體。葉輪由鋁合金加工而成, 以防止在運轉中引起火花, 電機采用隔爆型電機。FT35-11型和BT35-11型風機的性能參數和外形尺寸均同T35-11型風機一樣。T35-11系列低噪聲軸流風機需帶支架腳和電機電壓,請訂貨時注明。
非特殊說明,本文為本站原創(翻譯)文章,轉載請注明:本文轉自:江西鑫佳通科技股份有限公司。
本文連接:http://www.333huo.com/product/3125243112.html
想了解更多請點擊===>>T35-11系列低噪聲軸流風機 t35軸流風機 軸流風機
T35-11系列低噪聲軸流風機產品知識推薦
- 玻璃鋼軸流風機優勢 2017-09-16
- 防爆防腐軸流風機應該這樣安裝 2017-10-24
- 離心風機、軸流風機、混流風機的區別 2017-02-23
- 軸流風機的維護保養需要注意什么? 2017-12-02
- 軸流風機出現磨損的原因是哪些? 2021-04-02
- 廠房設施中選用離心通風機還是軸流風機好 2017-08-09
- 軸流風機使用時需要注意的六大因素是什么? 2018-06-20
- 如何對軸流風機運行進行檢查 2017-04-22
- 軸流風機如何調試和安裝呢? 2020-08-13
- T35-11型軸流風機適應哪些場合,有何特點呢? 2020-07-17
- 常用的軸流風機有哪些?軸流風機型號參數介紹 2018-02-02
- 玻璃鋼軸流風機可以解決銹蝕問題 2017-10-06
- DTF地鐵、隧道軸流風機 2020-09-02
- 軸流式消防排煙風機安裝使用注意事項 2017-08-12
- 軸流風機安裝調試、維護與保養應該注意哪些問題? 2018-06-20
- 防爆軸流風機與普通軸流風機有何異同呢? 2020-07-09
- 廠房專用屋頂軸流排風機 2017-08-26
- 軸流風機在應用中的特點有哪些 2017-04-20
- 高效低噪聲混流式風機性能介紹 2017-11-10
- 軸流式風機的構造如何,有何特點? 2017-10-28












相關評論: